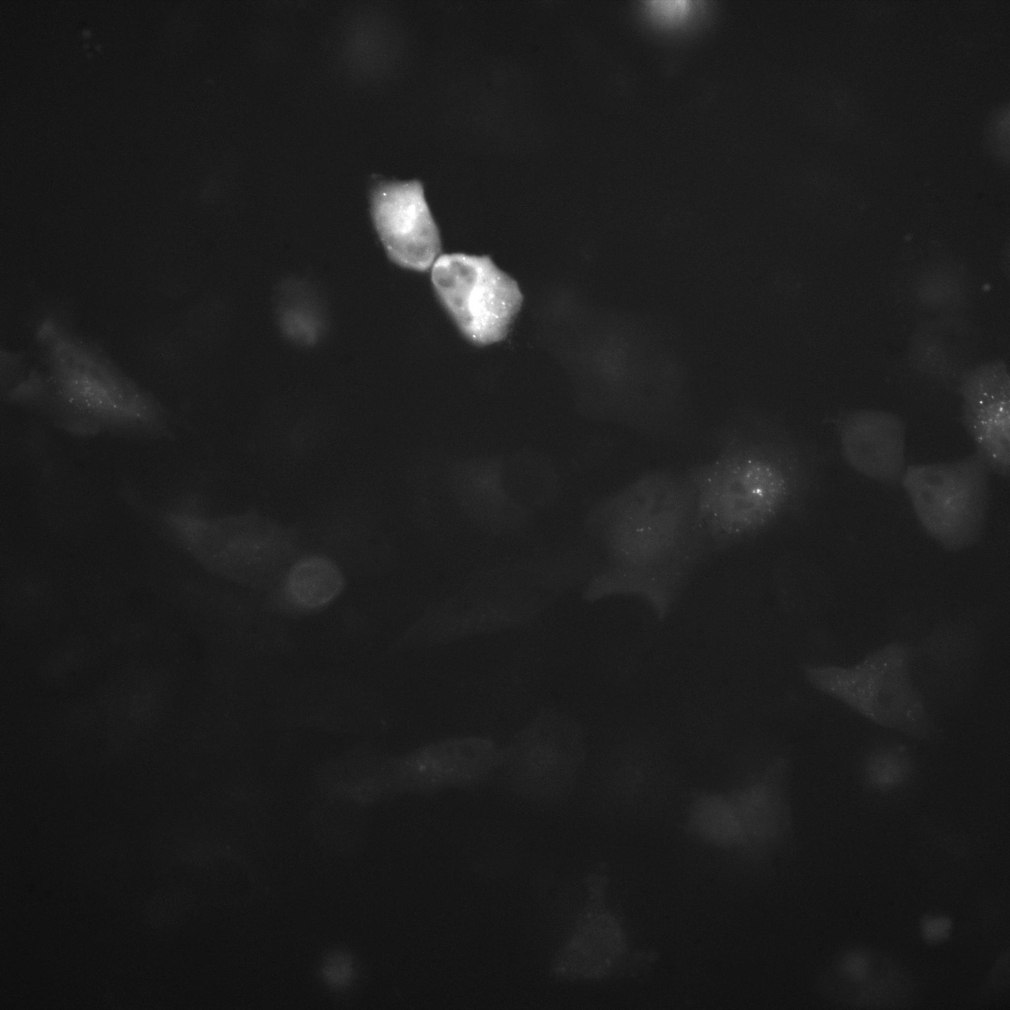
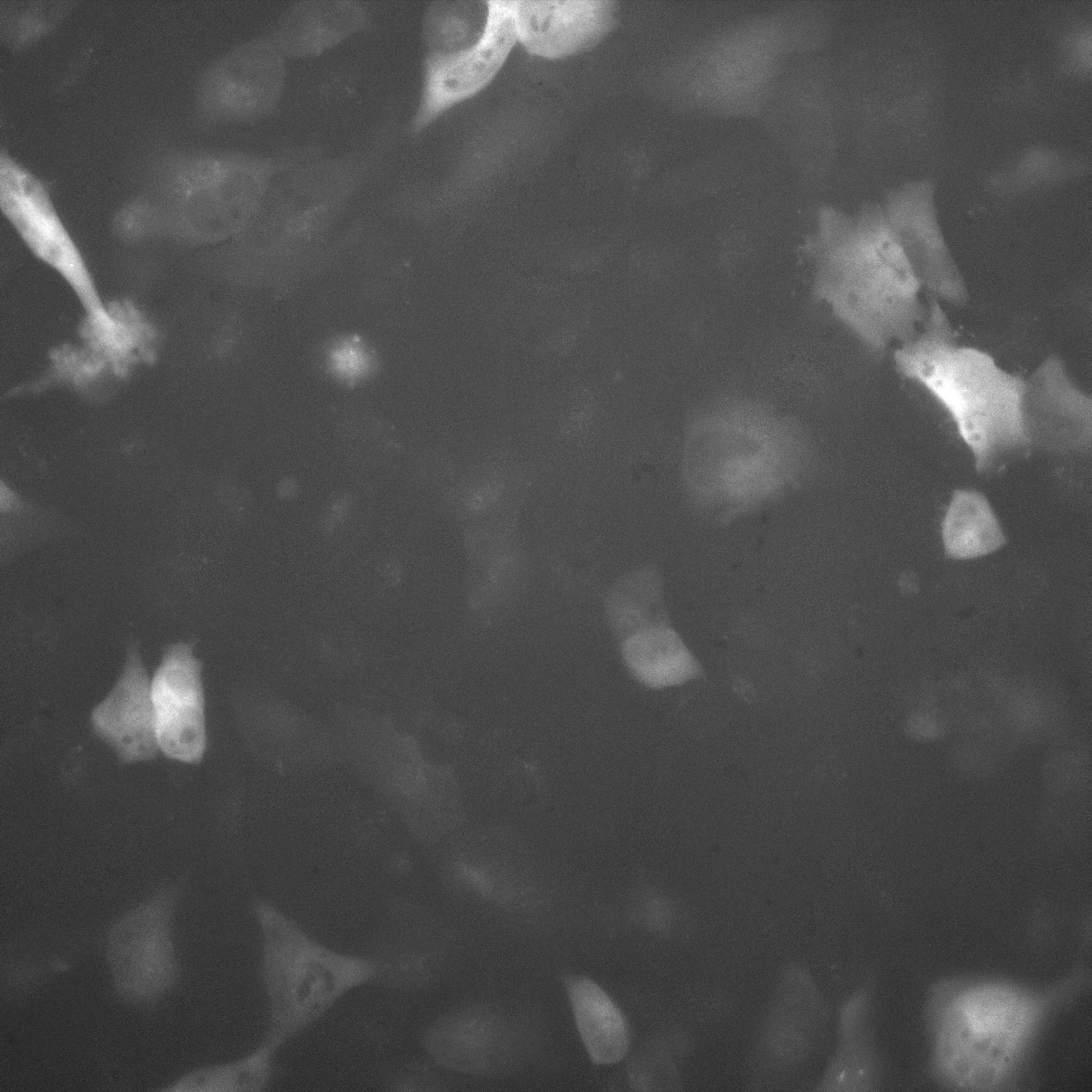
Gene ID Gene symbol Gene full name Clone ID Stimulation Expression Vector Filter Condition Foci formation
118980 SFXN2 sideroflexin 2 FLJ31149AAAF-MW ATO stimulation pDESTMC-EYFP Venus / EYFP Cell: Hela cells
Transfection time : 20 hours
Stimulus : 50uM Arsenic trioxide
Stimulation time : 1 hour
Enhanced

Represented Images(magnified)

Before
After

Original Images

Before

Represented Image

After

Represented Image